쿠쿠 정수기 냉온정수기 배관과 살균수
정수기를 일정 기간 이상 쓰다보니 정수기 필터 교체 대신에 정수기 자체를 바꾸게 되었다. 초고온수 냉온정 얼음정수기라는 이름으로 불리고 있는 모델인데, 이름대로 섭씨 100도의 뜨거운 물도 나오고 찬물도 나오고 일반 정수도 나오면서 얼음도 나오는 모델이다. 여기에 추가로 살균수도 나온다.

기존 정수기도 살균수 생성 및 노즐 소독 기능은 있었지만 최근 모델부터 조리수쪽으로도 살균수가 나오게 되었다는 이야기를 들었었다. 정수기 상담 할 때 들어보니 살균수로 과일 소독이나 장난감 세척 등을 할 수 있다고 하니 나름 자주 쓸 것 같아, 좀 더 자세히 설명을 들어 보았다.
설명을 듣다 보니 조리수로 연결된 배관은 하나만 있는데 사용자가 조리 수 밸브를 잠그고 난 이후에는 직전까지 사용하던 살균수가 배관에 남아있는것 아닌가 싶었다. 이에 상담사 분은 자동으로 배수가 된다고 이야기를 했지만, 아무리 생각해도 정수기부터 조리수 밸브까지의 하나로 연결된 배관에서 어떻게 자동으로 배수가 된다는 것인지 알 수가 없었다.
이 궁금증은 설치 후 정수기 사용자 설명서를 확인해 보고 나서야 해결되었다. 같은 궁금증을 가진 사람들이 있을 것 같아 블로그에 글로 남겨 두고자한다.
정수기 설명서의 상으로는 정수기에서 외부에 노출된 5개의 수관(입수, 세척수, 조리수, 배수, 냉각수 입/배수)가 있다.

그 중 외부로 연결된 배관은 입수, 세척수, 조리수, 배수관이며 실제 설치도 이렇게 네 개의 라인으로 구성되어 있다.

설명서에는 아래와 같이 정수기 내부 배관도와 외부 연결에 대한 설명이 나와 있다.

이 그림을 보고나니 좀 이해가 되었다. 제품 설치 방법에서와 같이 조리수 밸브에 두 개의 관이 연결되어, 살균수를 다 쓰고 나면 정수로 라인 세척을 하게 된다. 기존 세 개의 배관이 있었기에 추가로 구멍을 뚫어야 할만한 이유가 있었다. 좀 복잡하긴해도 제품을 제대로 쓰려면 필요한 부분이라 생각한다.
정수 배관도를 보니 정수나 온수 별로 어떻게 물이 흐르는지 알고 싶어졌다. 그래서 선을 따라가며 흐름을 그려보았는데 이게 맞는 것일지는 모르겠다 :)

1. 정수
정수는 입수관에서 필터를 거치게 된다. 뭔가 출수구 노즐로 바로 연결될 것 처럼 생각했는데, 그림을 보니 조리수 밸브 직전까지갔다가 다시 되돌아 오는 모습이다. 좀 이상하긴 하지만 배관도에 세척수/정수라고 표기가 되어 있는걸 보면 맞는것으로 보인다.

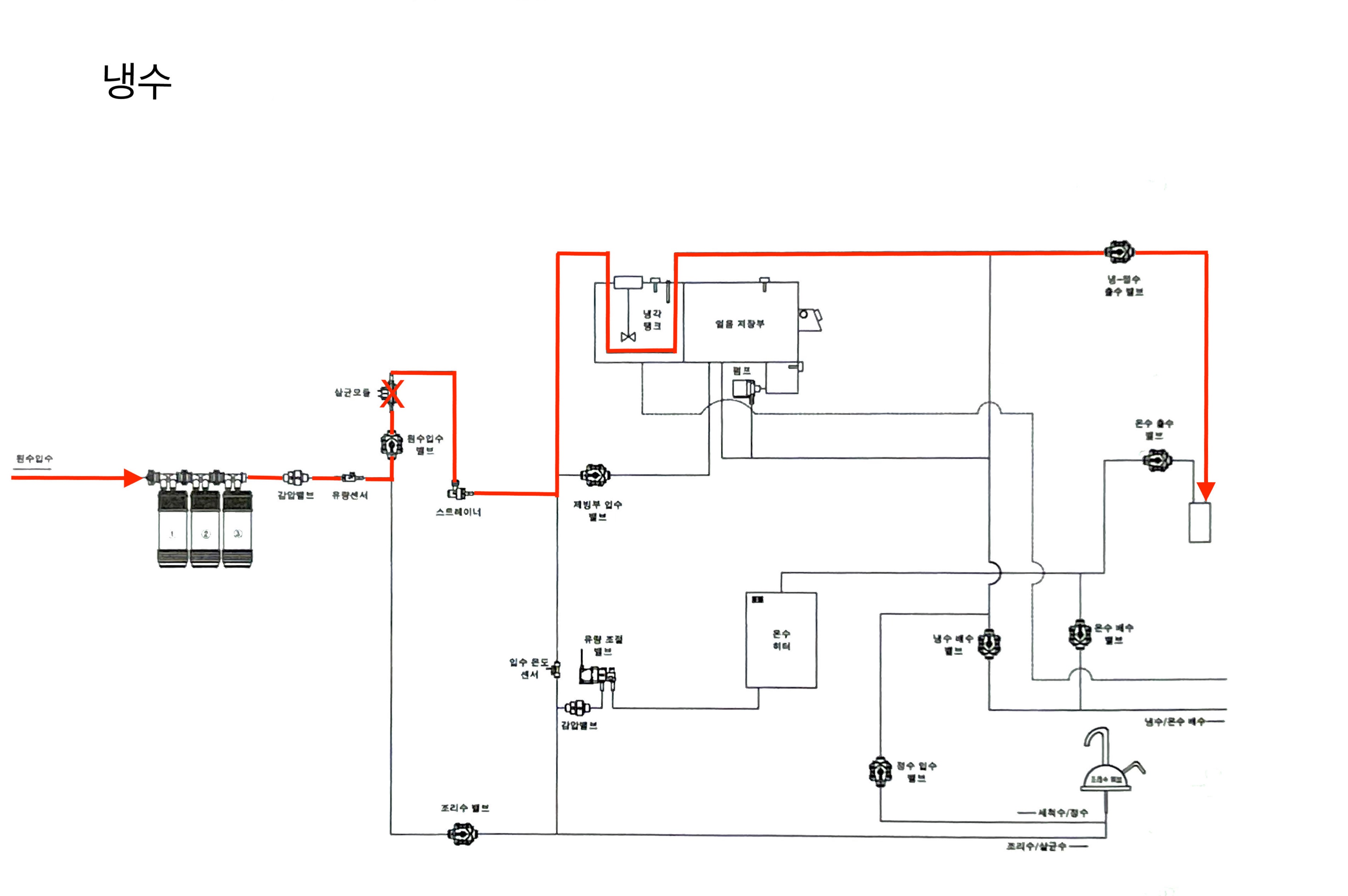
2. 냉수
냉수는 정수된 물을 냉각 탱크를 거쳐(보관이 아님) 차갑게 만드는 직수 방식이다.

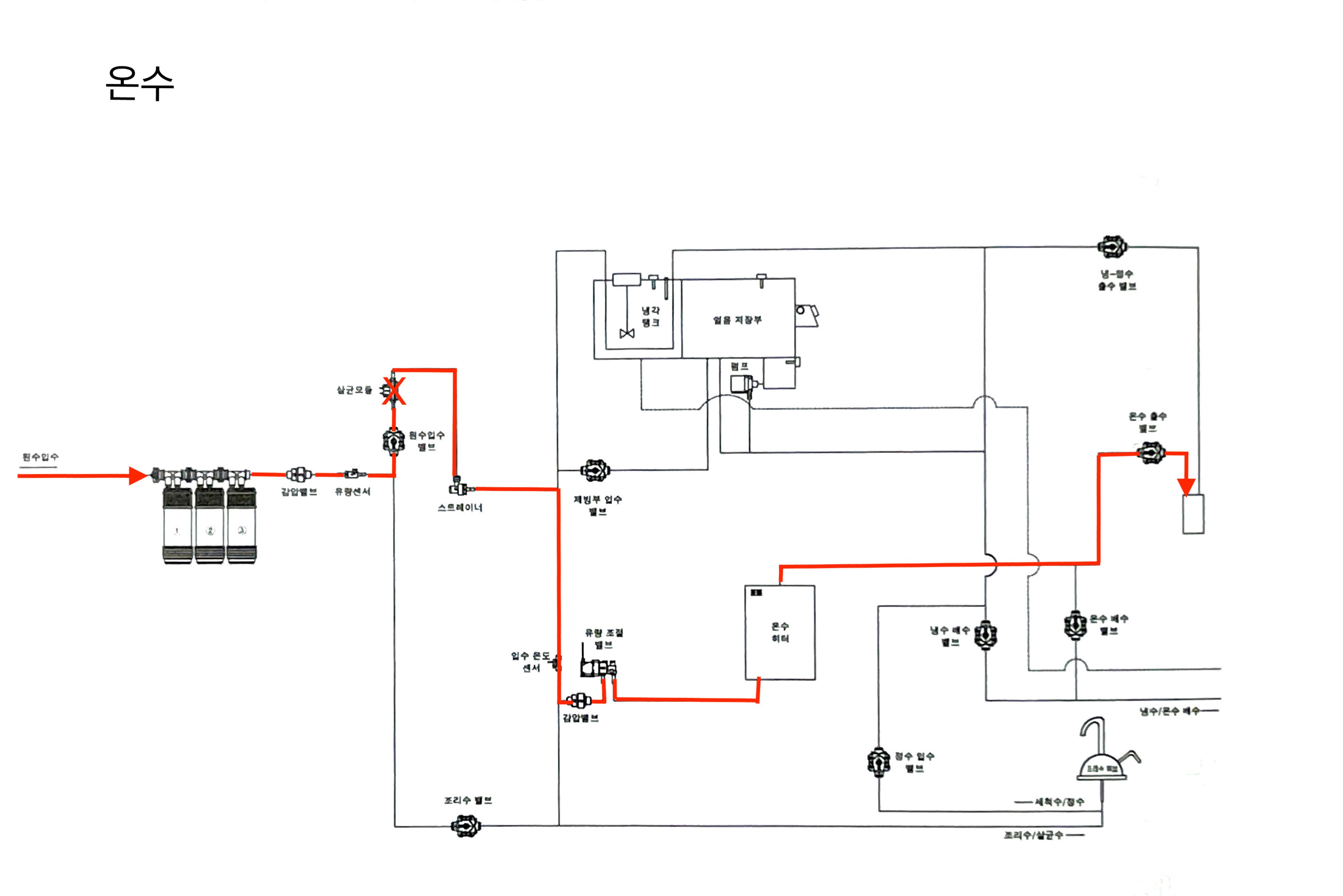
3. 온수
온수는 정수를 온수 히터를 통해 가열 후 배출하는 직수 방식이다.

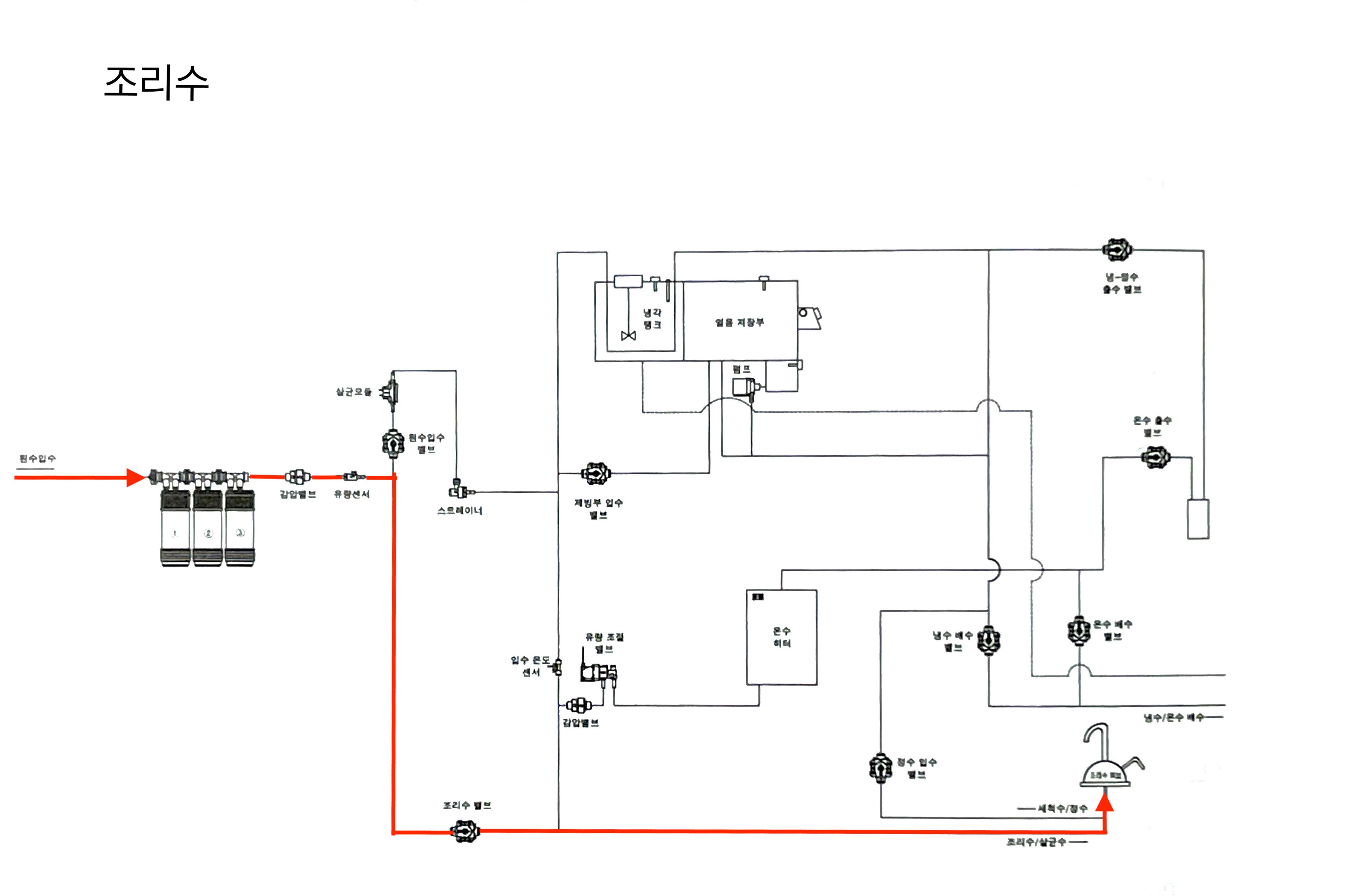
4. 조리수
조리수는 정수를 단지 조리수 배관으로 분리한다고 생각했는데 조리수 밸브가 별도로 있다. 아마도 냉온정수가 나오고 있는 도중 사용자가 조리수 밸브를 열게 될 경우를 대비해서 있는게 아닐까 싶다.

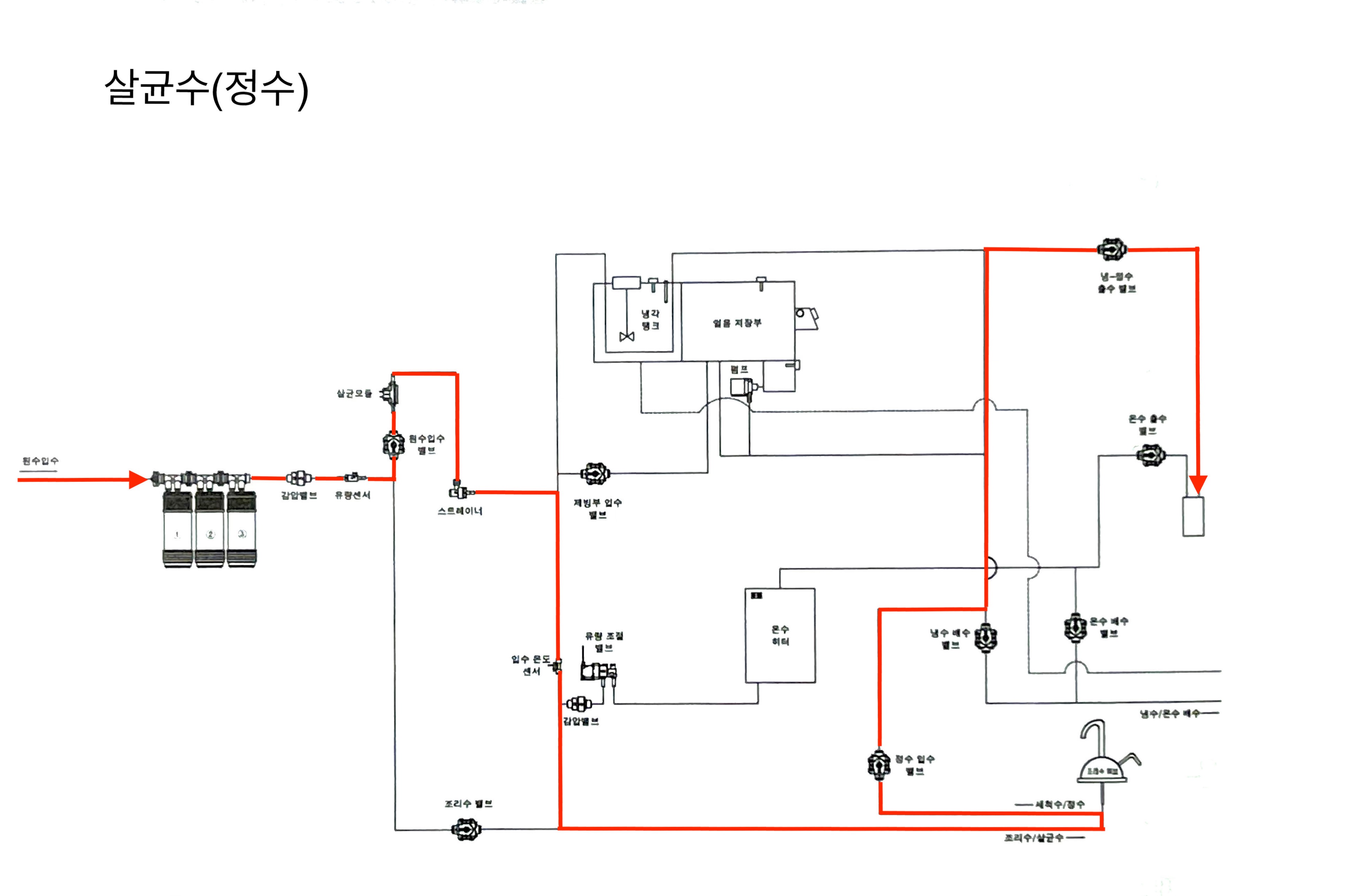
5. 살균수(정수)
냉온정 노즐 소독을 위한 살균수 생성을 할 경우 살균 모듈이 동작하면서 살균수가 만들어진다.

6. 살균수 라인 세척(정수)
이 정수기는 살균수가 지나간 배관에 혹시 남아 있을 살균수를 정수로 자동 세척하는 기능이 있다. 제조사에서는 비록 정수기에서 생성한 살균수는 먹는 물 관리법 기준 범위라고는 이야기하면서도 음용은 삼가라고 하고 있는것을 보면, 이런 자동세척은 기본적인 기능으로 볼 수 있다. 다만 아래 그림에서는 노즐쪽으로는 약간은 남아 있을 것 같다. 노즐 살균 한 다음에는 물을 조금 빼고 써야 하나 싶다.

7. 살균수(조리수)
이 정수기에는 조리수 쪽으로도 살균수가 나올 수 있도록 되어 있다. 이 때는 살균 모듈이 가동되어야 하므로 일반 조리수와 정수 라인을 그대로 이용할 것으로 보인다.

8. 살균수 라인 세척(조리수)
조리수쪽으로 살균수를 배출했다면 당연히 해당 라인도 정수로 세척을 해야한다. 이로써 조리수 살균수에 대한 설명을 듣고 가졌던 궁금증은 해결 할 수 있겠다.
